Musíte změnit nastavení vašeho prohlížeče
Podívejte se na:
Jak povolit JavaScript ve vašem prohlížeči
.
Pokud používáte software na blokování reklam, může být nutné povolit JavaScript z této stránky.
Děkujeme.
Přejít na obsah
Přihlášení k vašemu účtu
Nemůžete vyplnit toto pole
Přihlásit se
Nová registrace
Zapomenuté heslo
Pokračovat do košíku
Zákaznická podpora:
+420 724 054 707
shop@umservis.cz
Obchodní podmínky
Podmínky ochrany osobních údajů
Přihlášení
Hledat
Nákupní košík
Prázdný košík
Náhradní díly
Akční nabídka
CLAAS
Sklízecí řezačky
,
Sklízecí mlátičky
,
Ostatní sklizňové díly
,
Traktory
,
Pícniny
,
Nakladače
,
Lisy
GRIMME
Odkameňovací technika
,
Příprava půdy
,
Sázecí technika
,
Sklízecí technika
,
Skladovací technika
Väderstad
Setí
,
Zpracování půdy
Lemken
Traktory
Sklízecí mlátičky
Sklízecí řezačky
Ostatní sklizňové díly
Pícniny
Lisy
Hračky
Modely
Závaží
Napište nám
Kontakty
Přihlášení
Více
Domů
/
Náhradní díly
/
GRIMME
/
300.94609
300.94609
Značka:
Grimme
7 444,19 Kč
9 007,47 Kč včetně DPH
Dostupnost 2-5 dnů
+
−
Přidat do košíku
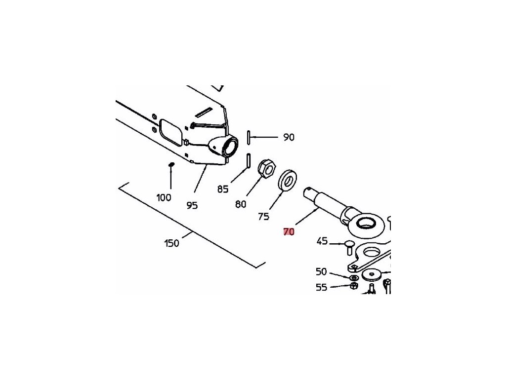
Oko závěsu
Detailní informace
Tisk
Zeptat se
Sdílet
Tweet
Zavřít
Popis
Diskuze
Detailní popis produktu
Oko závěsu
Pozice 70
Doplňkové parametry
Kategorie
:
GRIMME
Hmotnost
:
4.79 kg
EAN
:
300.94609
Buďte první, kdo napíše příspěvek k této položce.
Přidat komentář
Nevyplňujte toto pole:
Vložením komentáře souhlasíte s
podmínkami ochrany osobních údajů
Bezpečnostní kontrola
Opište text z obrázku